Digi Pack
This is a design for a digital lighting controler.
New - > See Here for a 32 channel PC Based DMX512 Lighting Desk .
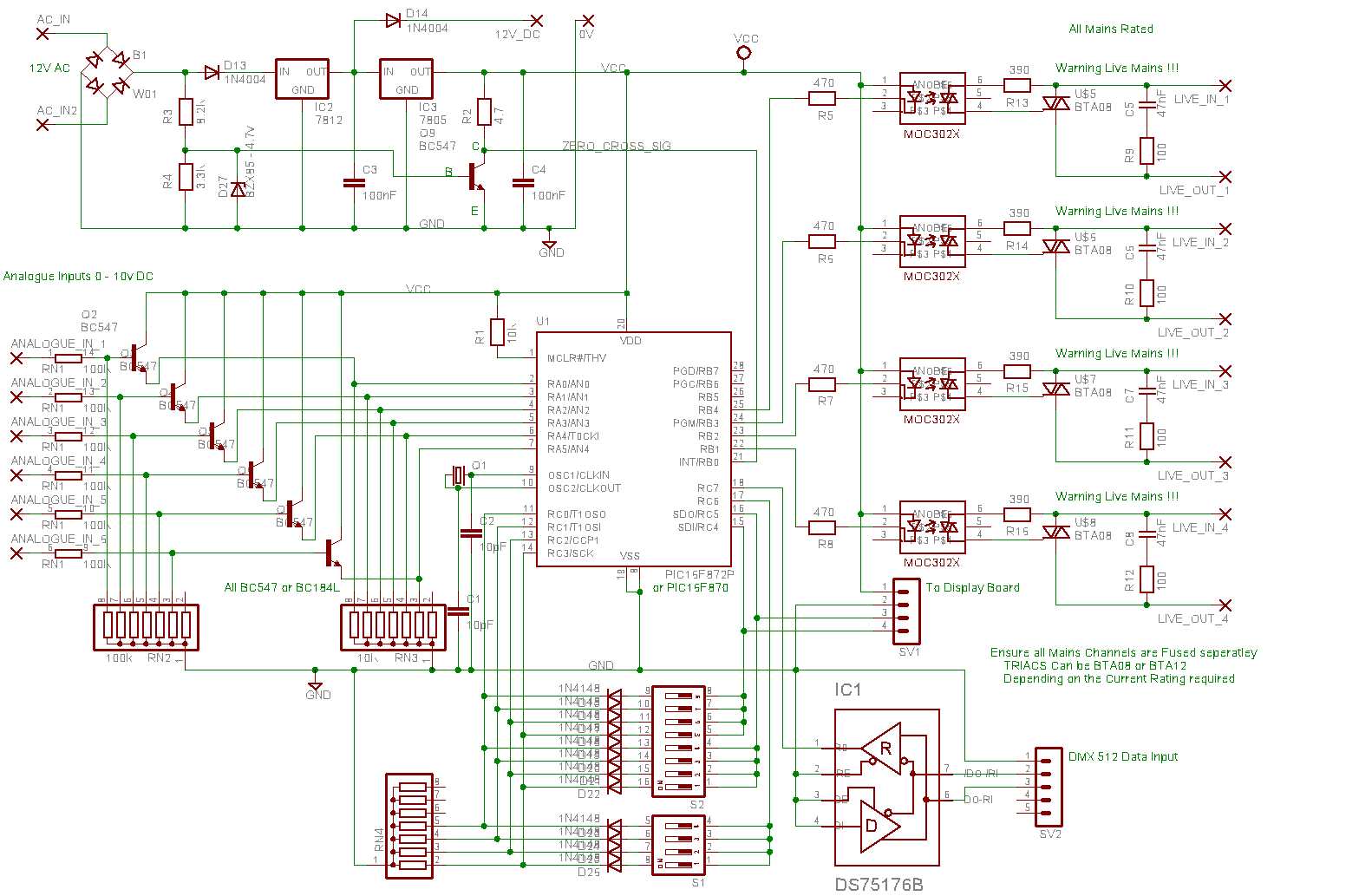
This unit receives DMX 512 data and Analogue (0- 10v) data and uses these to phase angle control mains output.
Please see warning at bottom of page before attempting to anything shown here.
Features.
DMX 512 data Input
Analogue (0- 10v )DC Input
4 Output channels
Remotley programmable Interally saved Presets
3 Modes of operation Digital Lighting Data, Aanlogue Lighting Data and Internal Presets
3 Dimming Curves ( Linear , S Curve and Switch )
DMX recieve address set on Dip switches from 1 - 512.
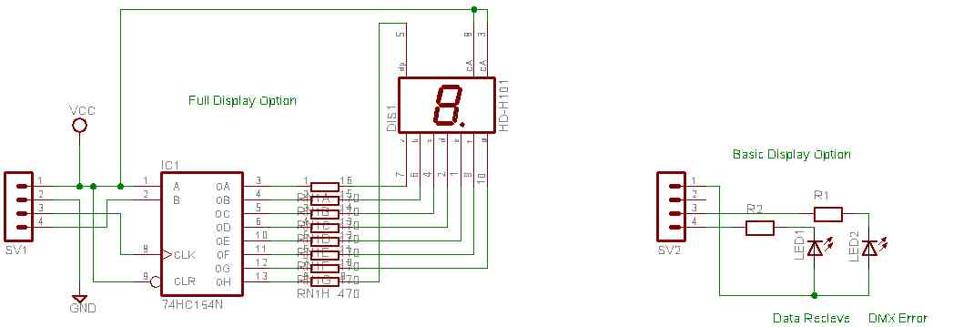
7 seg Display shows operation mode, DMX base address and preset being used .
Designed to operate on 240Vac @ 50Hz
Auto tracks mains frequency.
The Designed is based on the microchip Pic device. The Pic used is the 16F870 a 28 Pin device. running at 20Mhz.
The dimming pack controls the power comming out bu enploying phase angle control of the mains.
The schematics shows the circuit used for the main board, The display boardis shown here with an explanition here.
The Code in the Pic is here and Explained here.
The Labels for the outside of the box
The Eagle generated Schamatics, Asembley code and Hex file are all contained with in the Zip File Here .
Update Oct 2003 - Circuit Digram problem found please add a 10K resistor from each Analogue input to the Pic To Ground. This is required to discharge the internal capasistor in the PIC A2D the Cicruit Diagram has been updated.
Update Nov 2003 - New circuit Diagram Draw with Eagle schematics added and new Asembley code added with basic / Advaranced display option.
Also To Come soon - A 12Channel Based Lighting Control Based in a 19" Rack unit with LCD display.
New - > DMX to computer keyboard interface .
Outside
Inside
Links of Intrest
New - > DMX to computer keyboard interface .
New - > PC Based DMX512 Lighting Desk .
Adam Davis - DMX-512 General information on lighting and DMX bits
DMX512 DMX recption and transmittion software for PIC's
Pic DMX-512 Printerport Dongle Dongle and PC software on site
DMX512 PAGE FROM Ujjal.DMX512 Lots of info on DMX Protocol
DMX512.com Lots of general info on DMX bits including cable spec's
Free Styler Nice Free Computer Software for Lighting Design
oki 3 - 1 A inproved printer port based DMX output device outputting up to 3 Full universes and inputing one universe - Very Nice
This information can be dangerous and lethal if not used properly. It is assumed that the reader is competant with high voltages, and has the knowledge necessary to implement a safe working and use environment when dealing with electricity, and its associated hazards. YOU ARE RESPONSIBLE FOR YOUR OWN SAFETY. This is provided for informational purposes and does not imply any warranty or responsibility on the author's part.
Paul Harris 2004 to contact me email paul.harris@totalise.co.uk
Content sourced from PH_ZONE